滾柱滑塊
- 產品介紹
- 技術參數
- 產品圖片
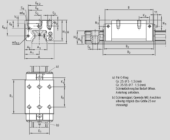
R182123216力士樂滑塊是SNH 窄型,標準長,高,滾柱滑塊。從上面進行油和脂潤滑的滑塊。

| A | 48 | |
| A1 | 24 | |
| A2 | 23 | |
| A3 | 12.5 | |
| B | 91.0 | |
| B1 | 63.5 | |
| B2 | 93.0 | |
| B3 | 97 | |
| d8 | 6 | |
| d 8.2 | 5 | |
| E1 | 35 | |
| E2 | 35 | |
| E8 | 33.4 | |
| E 8.2 | 40.22 | |
| E9 | 12.40 | |
| E 9.2 | 25.40 | |
| H | 40 | |
| H1 | 34 | |
| H2 1) | 23.60 | |
| H2 2) | 23.40 | |
| K1 | 19.10 | |
| K2 | -- | |
| N3 | 9 | |
| N5 | 9.5 | |
| N6 ±0.5 | 14.3 | |
| S2 | M6 | |
| S5 | 7 | |
| S93) | M3-5深 | |
| T24) |
30.0 |
|
| V1 | 7.5 | |
| 重量 | 0.6 | |
| 額定載荷C | 26 900 | |
| 額定載荷 C0 | 53 200 | |
| 額定轉矩 Mt | 348 |
1)尺寸H2帶防護帶
2)尺寸H2不帶防護帶
3)不帶滾珠鏈的滾珠滑塊的額定載荷和轉矩。
額定載荷和額定動轉矩是以100,000米行程為基礎確定的(根據ISO 14728-1),但實際中經常是以50,000米行程為基礎。
在此情況下,表格中的C、Mt、和ML的值乘以1.26。








