行星絲杠
- 產品介紹
- 技術參數
- 產品圖片
–– With standard seals
–– With backlash max. 0.03 mm or preload
–– For precision screws PSR in tolerance grade T5, T7, T9 (with backlash only)

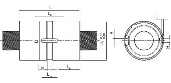
| d0*P | 20*5R |
| 部件號 | R157CA1003 |
| 額定動載C(KN) | 55 |
| 額定靜載C0(KN) | 80 |
| Vmax(m/min) | 37.5 |
| BPg | 4 |
| D1g6 | 42 |
| L | 65 |
| L5 | 34 |
| L6 | 23.5 |
| L11±0.2 | 18 |
| L12 | 5 |
| T1+0.1 | 2.5 |
| S | 2 |
| 重量m(kg) | 0.62 |
d0 = 公稱直徑
P = 導程,(R = 右旋,L = 左旋 )








