導軌滑塊配件
- 產品介紹
- 技術參數
- 產品圖片
力士樂鋼刮刷片R162011030材料:耐腐蝕鋼DIN EN 10088;精密型,安裝后與導軌的*大間隙為0.1-0.3mm
安裝說明
• 如果與兩件式前置密封配套使用,則可以直接選用密封套件:部件號R1619 .20 40/50
– 安裝螺栓隨同供貨。
• 安裝過程中請確保滾珠導軌和鋼刮刷片之間保持均勻的間隙。
• 在使用端面潤滑接口時,請注意*小螺紋擰入深度。
– 請仔細閱讀安裝說明。

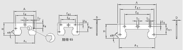
| A | 33.0 | |
| A1 | 26.4 | |
| D | 1.0 | |
| E8 | 24.55 | |
| E9 | 6.30 | |
| H | 19.2 | |
| S2 | 4.6 | |
| S3 | 3.5 | |
| 重量 g | 5 |








