電缸EMC-HD
EMC-125-HD力士樂重載電動缸
電動缸EMC-125-HD僅要求很少的保養工作量。脂潤滑具有*好的優點,能夠保證在運行了很長的路程之后才必須對絲杠傳動系統進行補充潤滑。021-57893800工作時間:周一至周五 9:00-18:00
- 產品介紹
- 技術參數
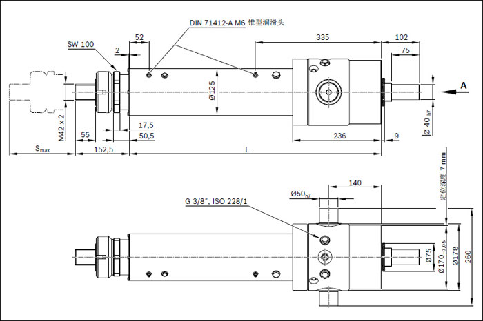
- 產品圖片
EMC-125-HD力士樂重載電動缸優點:
● 高能源效益和*低的環境負擔 (沒有泄漏的風險)
● 簡單、緊湊和堅固的結構,能夠節省安裝空間地結合在機器方案當中,而且還可以應用在惡劣的周圍環境當中
● 完整的組裝系統,擁有很多的組合類型,在應用中具有很高的靈活性
● 由于采用了高精密的力士樂行星絲杠傳動系統和滾珠絲杠傳動系統,使其具有很高的定位精確性、高動態特性、大動力的驅動系統和很長的使用壽命
● 擁有能夠進行自由編程的智能型驅動系統,并且能夠實現復雜的運行曲線(在整個工作范圍內對力、位置和速度進行自由編程)










