絲杠螺母
R150231085 力士樂螺母FDM-E-C 32 x 5R x 3.5 - 4
公稱直徑:32
導程:5R(R=右旋,L=左旋)
滾珠直徑:3.5
螺母內的螺旋圈數:4
021-57893800工作時間:周一至周五 9:00-18:00
- 產品介紹
- 技術參數
- 產品圖片

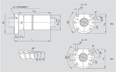
R150231085 力士樂螺母FDM-E-C32 x 5R x 3.5 - 4是法蘭式雙螺母.
,"
| d1 | 24.0 | |
| d2 | 21.9 | |
| D1 /g6 | 40 | |
| D5 | 62 | |
| 孔圖 | BB2 | |
| D6 | 51 | |
| D7 | 6.6 | |
| L | 120 | |
| L3 | 12 | |
| L4 | 16 | |
| L9 | 55.0 | |
| L10 | 108 | |
| S3) | M6 | |
| 重量m(KG) | 0.77 | |
| 額定動載C(N) | 15700 | |
| 額定靜載C0 | 27000 | |
| 速度1)Vmax(m/min) | 60 |
1)帶標準密封
2)用于精密滾壓絲杠 SN-R 公差等級T5,T7








