軸承導套
R107362000 力士樂直線導套組件
品牌:博世力士樂
部件號:R107362000
軸徑:20mm
類型:直線導套組件帶超級滾珠導套A或B,鑄鐵軸承座
021-57893800工作時間:周一至周五 9:00-18:00
- 產品介紹
- 技術參數
- 產品圖片
R107362000 力士樂直線導套組件,帶兩個密封圈結構:
◆ 精密軸承座 (球墨鑄鐵)
◆ 用錐槽銷固定
◆ 超級滾珠導套帶或不帶同軸度誤差補償
◆ 前置式密封圈
◆ 載荷作用于開式滾珠導套的開口處時,將出現額定載荷的大幅下降。為了避免出現這種情況和實現可選圓周定位,開發了側向開式的直線導套組件。

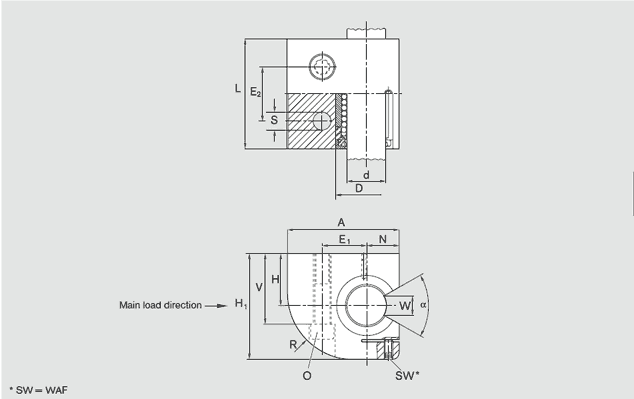
| ød | 20 | |
| H | 30 | |
| H1 | 60 | |
| L | 60 | |
| A | 60 | |
| E1 | 22±0.15 | |
| E2 | 30±0.15 | |
| N | 17 | |
| D | 32 | |
| V | 42 | |
| S | 9 | |
| SW | 2.5 | |
| O | M8X60 | |
| R | 37 | |
| W | 9 | |
| 角度a(0) | 55 | |
| 徑向間隙(um) | +31 -2 |
|
| H的公差 | +8 -16 |
|
| 額定載荷4) (N) C | 2570 | |
| 額定載荷4) (N) C0 | 1180 | |
| 重量(KG) | 1.0 |








